إنها فئة من الآلات الصناعية المستخدمة في قطاعي البناء والتصنيع لإنتاج أعمدة Z. يمكن تغيير الحجم تلقائيًا من 120 مم إلى 300 مم باستخدام نظام التحكم المنطقي القابل للبرمجة (PLC) في دقيقة واحدة.
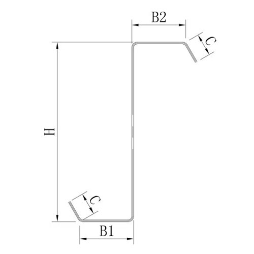
أبعاد الملف الشخصي القياسية:
يتم تجهيز الآلات بحجم ملف تعريف متغير (ضمن النطاق المحدد) ونطاق السُمك.

| Z بورلين | ||||
| نموذج | حجم القسم | |||
| H | B1 | B2 | C | |
| Z120 | 120 | 55 | 50 | 16 | 
| Z140 | 140 | 55 | 50 | 16 | 
| Z160 | 160 | 67 | 61 | 16 | 
| Z180 | 180 | 67 | 61 | 18 | 
| Z200 | 200 | 67 | 61 | 18 | 
| Z220 | 220 | 78 | 72 | 18 | 
| Z250 | 250 | 78 | 72 | 20 | 
| Z280 | 280 | 78 | 72 | 20 | 
| Z300 | 300 | 78 | 72 | 20 | 
تحديد:
| غرض | آلة تشكيل اللفائف لصنع الأعمدة القابلة للتعديل تلقائيًا | 
| أبعاد | 8500 * 1600 * 1500 مم | 
| وزن | 7500 كجم | 
| قوة المحرك | 30 كيلو واط | 
| قوة مضخة الزيت | 5.5 كيلو واط | 
| الجهد االكهربى | 380 فولت/3 مراحل/60 هرتز | 
| خطوة التشكيل | 19 | 
| سرعة التشكيل | 8-25 م/دقيقة | 
| سمك التشكيل | 1.2-3.0 مم (GI) | 
| العرض الفعال | 120-300 ملم | 
| الارتفاع الفعال | 45-100 ملم | 
| عرض الحافة | 10-20 ملم | 
1. تشكيل وقطع اللفائف تلقائيًا باستخدام العاكس وPLC
2. إعدادات الطول القابلة للبرمجة والتي تتم بشكل تلقائي ويمكن الوصول إليها من خلال لوحة اللمس.
3. فترة الضمان سنة واحدة.
4. تخصيص التصميم متاح.
5. تشغيل موثوق به مدعوم بقوة قوية وإطار جسم قوي.

ما هي آلة تشكيل البورلين على شكل Z؟
إن آلة تشكيل البورلين على شكل Z قادرة على إنتاج أشكال مختلفة من البورلين على شكل Z عن طريق تعديل الأسطوانات.
هذه الآلة أوتوماتيكية بالكامل وسهلة الاستخدام، وتتميز بلوحة تحكم تفاعلية سهلة الاستخدام. تتضمن وحدة فك اللفائف، ومعدات توجيه الصفائح، وقسم تشكيل اللفائف، ونظام تحكم PLC، ووحدة قطع هيدروليكية، وطاولة تجميع.
تتضمن المزايا الأساسية تصميمات مخصصة بشكل جميل، وتشغيل مباشر ومستقر، وإطار جسم قوي.
ما هو Z purlin؟
عوارض Z، والمعروفة أيضًا باسم عوارض zed، هي عوارض تتميز بمقطع عرضي على شكل حرف Z، وتُستخدم كعوارض أفقية لتشكيل عوارض السقف والجدران في هيكل المبنى. توضع هذه العوارض بين ألواح التسقيف والمبنى، مما يوفر دعمًا يضمن تثبيت الألواح وتثبيتها بشكل آمن.
ما هو الغرض من Z purlins؟
تكمن القوة الملحوظة للأعمدة ذات شكل حرف Z في قدرتها على التداخل، مما يُنشئ اتصالاً مستقراً يتحمل أحمالاً أكبر مقارنةً بالأعمدة ذات شكل حرف C. ولذلك، تُستخدم بكثرة في تصميم الأسقف، والعوارض الخشبية، والمصانع، والمباني المدنية، وغيرها.